
RS-232C、RS-422A、RS-485是EIA(電子工業協會)的通信標準,在這些通信標準中,RS-232C已被廣泛應用于各種應用中,甚至是計算機上的標準設備,并且經常被使用。用來連接串口服務器或DTU設備,通常傳感器、執行器也包含這些接口,其中許多可以通過串行通信進行控制。以下是廣泛使用的主要RS標準:
● RS232
● RS422
● RS485
RS232代表建議的標準編號232,TIA / EIA-232-F的通用接口。RS232作為接口,多年來一直是將數據電路終端設備(DCE)與數據終端設備(DTE)互連的標準。市場上有各種形式的RS232接口。但是,由于設計和配置不同,它們很容易轉換為其他形式。該接口的示例是RS 232'C',RS 232'D',RS 232 V.10,RS 232 V.28。
RS232幾乎可以在每臺個人計算機上就可以找到。如圖所示:

RS232是一個完整的標準,不僅包括電氣特性,而且還包括物理和機械特性。例如連接硬件,管腳和信號名稱。點對點接口,RS232能夠以高達20Kbps的速度保持適當的距離。盡管在規范中沒有特別說明,但只要連接短且使用正確的接地,速度可能會大于115.2Kbps。電纜長度通常為30英尺,使用低電容電纜可以達到200英尺以上的電纜。
RS232總線是一種不平衡總線,能夠在名為數據終端設備(DTE)和數據通信設備(DCE)的兩個接收器/發送器對之間進行全雙工通信。每個接收器都有一個發送信號,該發送信號連接到另一端的接收信號。因此,兩側之間存在針腳差異。通常個人計算機的是DTE,而連接的外圍設備是DCE。
每個發送器通過改變線路上的電壓來發送數據。高于3V的電壓為二進制零,而低于–3V的電壓為二進制零。在這些電壓之間,該值是不確定的。要將邏輯電平(0和5V)轉換為這些電平并返回,可以使用RS-232轉換IC,例如1488、1489或無處不在的MAX232。
典型的RS232通信由起始位、數據位、奇偶校驗位(如果有)和停止位組成。與PC通信時,典型格式是8個數據位,無奇偶校驗和1個停止位(8N1)。七個數據位,偶數奇偶校驗和一個停止位(7E1)也很常見。如圖所示,開始位通常為零,而停止位通常為1。官方規范并未描述任何通信協議,包括開始/停止位的使用。

RS422就是TIA / EIA-422-B,RS485是TIA / EIA-485-A,兩者是平衡的雙絞線接口,速度最高可達10Mbps,距離可達1.2公里作為差分總線,每個總線都使用1.5V至6V的信號來傳輸數據。(注:通過差分,平衡總線,與類似的單端不平衡總線(例如RS232)相比,抗擾性得到了提高。)
引入RS422標準是為了解決RS-232C的缺點。這些缺點包括慢速和短距離傳輸。時鐘時序及其目的在此標準中定義。此標準的示例是D Sub 9針和D Sub 25針連接器。
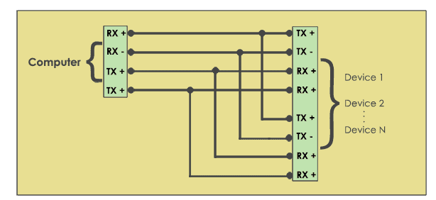
RS422接口是一個多點接口,可通過一對導線從一個發送器到多個接收器進行單向通信,最多10個單位負載(UL)。如果接收數據的設備希望與發送器通信,則設計人員必須在每個接收器和發送器之間使用單獨的專用總線。(使用此返回總線將允許全雙工傳輸。)因此,很少在兩個以上的節點之間使用RS422。

RS485接口是通過幾個收發器之間的一對導線進行的雙向通信。該規范指出,該總線最多可包含32個UL收發器。許多制造商生產分數UL收發器,從而將最大設備數量增加到100多種。
引入RS485標準是為了解決RS422的缺陷。RS422的缺陷是無法關閉驅動器電路。RS 485利用三種狀態邏輯,可以分別停用每個變送器。
RS422和RS485接口通常使用與RS232相同的起始位/數據/停止位格式。實際上,存在幾個轉換器,可以從RS-232到RS-485再返回。但是請記住,RS232是全雙工接口,而RS485是半雙工。
一些微控制器制造商提供了具有特殊RS485功能的內置UART。

誤解:是串行端口/總線比并行端口/總線慢,因為每單位時間數據的傳輸只有一點點。甚至串行端口/總線的時鐘速率也可能比并行端口/總線的時鐘速率快,并且可以實現更高的數據流速度。使串行通信優于并行通信的因素有:
● 無需時鐘:如果采用非時鐘和異步類型的串行通信,則不存在通道/通道之間的時鐘偏斜問題。
● 需要更少的空間:串行通信配置需要更少的空間,因為在串行連接中電纜的需求更少。該額外空間的可用性使數據通道與相鄰通信組件之間實現了良好隔離。
● 無串擾:附近空間內導體很少。因此,串擾的機會很少。
● 低成本:與并行鏈接相比,串行鏈接的成本更低。