
兩種簡單、精確、靈活的熱電偶溫度測量方法
簡介
熱電偶是一種廣泛用于溫度測量的簡單元件。本文簡單概述了熱電偶,介紹了利用熱電偶進行設計的過程中常見的挑戰,并提出兩種信號調理解決方案。第一種方案將參考接合點補償和信號調理集成在一個模擬IC內,使用更簡便;第二種方案將參考接合點補償和信號調理獨立開來,使數字輸出溫度感應更靈活、更精確。
熱電偶原理
如圖1所示,熱電偶由在一頭相連的兩根不同金屬線組成,相連端稱為測量(“熱”)接合點。金屬線不相連的另一頭接到信號調理電路走線,它一般由銅制成。在熱電偶金屬和銅走線之間的這一個接合點叫做參考(“冷”)接合點。

圖1.熱電偶
*我們使用術語“測量接合點“和“參考接合點”而不是更傳統的“熱接合點”和“冷接合點”。傳統命名體系可能會令人產生困惑,因為在許多應用中,測量接合點可能比參考接合點溫度更低。
在參考接合點處產生的電壓取決于測量接合點和參考接合點兩處的溫度。由于熱電偶是一種差分器件而不是絕對式溫度測量器件,必須知道參考接合點溫度以獲得精確的絕對溫度讀數。這一過程被稱為參考接合點溫度補償(冷接合點補償)。
熱電偶已成為在合理精度內高性價比測量寬溫度范圍的工業標準方法。它們應用于高達約+2500°C的各種場合,如鍋爐、熱水器、烤箱和風機引擎等。K型是最受歡迎的熱電偶,包括Chromel?和Alumel?(特點是分別含鉻、鋁、鎂和硅的鎳合金),測量范圍是–200°C至+1250°C。
為什么使用熱電偶?
優點
缺點
熱電偶測量的難點
將熱電偶產生的電壓變換成精確的溫度讀數并不是件輕松的事情,原因很多:電壓信號太弱,溫度電壓關系呈非線性,需要參考接合點補償,且熱電偶可能引起接地問題。讓我們逐一分析這些問題。
電壓信號太弱:最常見的熱電偶類型有J、K和T型。在室溫下,其電壓變化幅度分別為52 μV/°C、41 μV/°C和41 μV/°C。其它較少見的類型溫度電壓變化幅度甚至更小。這種微弱的信號在模數轉換前需要較高的增益級。表1比較了各種熱電偶類型的靈敏度。
表1. 25°C時各種熱電偶類型的電壓變化和溫度升高關系
(塞貝克系數)
|
熱電偶類型
|
塞貝克系數 (μV/°C)
|
|
E
|
61
|
|
J
|
52
|
|
K
|
41
|
|
N
|
27
|
|
R
|
9
|
|
S
|
6
|
|
T
|
41
|
因為電壓信號微弱,信號調理電路一般需要約100左右的增益,這是相當簡單的信號調理。更棘手的事情是如何識別實際信號和熱電偶引線上的拾取噪聲。熱電偶引線較長,經常穿過電氣噪聲密集環境。引線上的噪聲可輕松淹沒微小的熱電偶信號。
一般結合兩種方案來從噪聲中提取信號。第一種方案使用差分輸入放大器(如儀表放大器)來放大信號。因為大多數噪聲同時出現在兩根線上(共模),差分測量可將其消除。第二種方案是低通濾波,消除帶外噪聲。低通濾波器應同時消除可能引起放大器整流的射頻干擾(1 MHz以上)和50 Hz/60 Hz(電源)的工頻干擾。在放大器前面放置一個射頻干擾濾波器(或使用帶濾波輸入的放大器)十分重要。50Hz/60Hz濾波器的位置無關緊要—它可以與RFI濾波器組合放在放大器和ADC之間,作為∑-Δ ADC濾波器的一部分,或可作為均值濾波器在軟件內編程。
參考接合點補償:要獲得精確的絕對溫度讀數,必須知道熱電偶參考接合點的溫度。當第一次使用熱電偶時,這一步驟通過將參考接合點放在冰池內來完成。圖2描述一頭處于未知溫度,另一頭處于冰池(0°C)內的熱電偶電路。這種方法用來詳盡描述各種熱電偶類型的特點,因此幾乎所有的熱電偶表都使用0°C作為參考溫度。

圖2. 基本的鐵-康銅熱電偶電路
但對于大多數測量系統而言,將熱電偶的參考接合點保持在冰池內不切實際。大多數系統改用一種稱為參考接合點補償(又稱為冷接合點補償)的技術。參考接合點溫度使用另一種溫度敏感器件來測量—一般為IC、熱敏電阻、二極管或RTD(電阻溫度測量器)。然后對熱電偶電壓讀數進行補償以反映參考接合點溫度。必須盡可能精確地讀取參考接合點—將精確溫度傳感器保持在與參考接合點相同的溫度。任何讀取參考接合點溫度的誤差都會直接反映在最終熱電偶讀數中。
可使用各種傳感器來測量參考接合點溫度:
電壓信號非線性: 熱電偶響應曲線的斜率隨溫度而變化。例如,在0°C時,T型熱電偶輸出按39 μV/°C變化,但在100°C時斜率增加至47 μV/°C。
有三種常見的方法來對熱電偶的非線性進行補償。
選擇曲線相對較平緩的一部分并在此區域內將斜率近似為線性,這是一種特別適合于有限溫度范圍內測量的方案,這種方案不需要復雜的計算。K和J型熱電偶比較受歡迎的諸多原因之一是它們同時在較大的溫度范圍內靈敏度的遞增斜率(塞貝克系數)保持相當恒定(參見圖1)。

圖3.熱電偶靈敏度隨溫度而變化注意,從0°C至1000°C,K型塞貝克系數大致恒定在約 41 μV/°C
另一個方案是將查找表存儲在內存中,查找表中每一組熱電偶電壓與其對應的溫度相匹配。然后,使用表中兩個最近點間的線性插值來獲得其它溫度值。
第三種方案使用高階等式來對熱電偶的特性進行建模。這種方法雖然最精確,但計算量也最大。每種熱電偶有兩組等式。一組將溫度轉換為熱電偶電壓(適用于參考接合點補償)。另一組將熱電偶電壓轉換成溫度。熱電偶表和更高階熱電偶等式可從http://srdata.nist.gov/its90/main/獲得。這些表格和等式全部基于0°C參考接合點溫度。在參考集合點處于任何其它溫度時,必須使用參考接合點補償。
接地要求:熱電偶制造商在測量接合點上設計了絕緣和接地兩種尖端(圖4)

圖4.熱電偶測量接合點類型
設計熱電偶信號調理時應在測量接地熱電偶時避免接地回路,還要在測量絕緣熱電偶時具有一條放大器輸入偏壓電流路徑。此外,如果熱電偶尖端接地,放大器輸入范圍的設計應能夠應對熱電偶尖端和測量系統地之間的任何接地差異(圖5)。

圖5.使用不同尖端類型時的接地方式
對于非隔離系統,雙電源信號調理系統一般有助于接地尖端和裸露尖端類型獲得更穩定的表現。因為其寬共模輸入范圍,雙電源放大器可以處理PCB(印刷電路板)地和熱電偶尖端地之間的較大壓差。如果放大器的共模范圍具有在單電源配置下測量地電壓以下的某些能力,那么單電源系統可以在所有三種尖端情況下獲得滿意的性能。要處理某些單電源系統中的共模限制,將熱電偶偏壓至中間量程電壓非常有用。這完全適合于絕緣熱電偶簡單或整體測量系統隔離的情況。但是,不建議設計非隔離系統來測量接地或裸露熱電偶。
實用熱電偶解決方案:熱電偶信號調理比其它溫度測量系統的信號調理更復雜。信號調理設計和調試所需的時間可能會延長產品的上市時間。信號調理部分產生的誤差可能會降低精度,尤其在參考接合點補償段。下列兩種解決方案可以解決這些問題。
第一種方案詳細介紹了一種簡單的模擬集成硬件解決方案,它使用一個IC將直接熱電偶測量和參考接合點補償結合在一起。第二種方案詳細介紹了一種基于軟件的參考接合點補償方案,熱電偶測量精度更高,可更靈活地使用多種類型熱電偶。
測量方案1:為簡單而優化
圖6所示為K型熱電偶測量示意圖。它使用了AD8495熱電偶放大器,該放大器專門設計用于測量K型熱電偶。這種模擬解決方案為縮短設計時間而優化:它的信號鏈比較簡潔,不需要任何軟件編碼。

圖6.測量解決方案1:為簡單而優化
這種簡單的信號鏈是如何解決K型熱電偶的信號調理要求的呢?
增益和輸出比例系數:微弱的熱電偶信號被AD8495放大122的增益,形成5-mV/°C的輸出信號靈敏度(200°C/V)。
降噪:高頻共模和差分噪聲由外部RFI濾波器消除。低頻率共模噪聲由AD8495的儀表放大器來抑制。再由外部后置濾波器解決任何殘余噪聲。
參考接合點補償:由于包括一個溫度傳感器來補償環境溫度變化,AD8495必須放在參考接合點附近以保持相同的溫度,從而獲得精確的參考接合點補償。
非線性校正:通過校準,AD8495在K型熱電偶曲線的線性部分獲得5 mV/°C輸出,在–25°C至+400°C溫度范圍內的線性誤差小于2°C。如果需要此范圍以外的溫度,ADI應用筆記AN-1087介紹了如何在微處理器中使用查找表或公式來擴大溫度范圍。
絕緣、接地和裸露熱電偶的處理:圖5所示為一個接地1M?電阻,它適用于所有熱電偶尖端類型。AD8495專門設計以在如圖所示搭配單電源時測量地電壓以下數百毫伏。如果希望更大地壓差,AD8495還可采用雙電源工作。
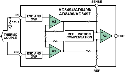
AD8495的更多詳情:圖7所示為AD8495熱電偶放大器的框圖。放大器A1、A2和A3(及所示電阻)一道形成一個儀表放大器,它使用恰好產生5 mV/°C輸出電壓的一個增益來對K型熱電偶輸出進行放大。在標記“Ref junction compensation”(參考接合點補償)的框內是一個環境溫度傳感器。在測量接合點溫度保持穩定的條件下,如果參考接合點溫度由于任何原因而上升,來自熱電偶的差分電壓就會降低。如果微型封裝的(3.2 mm × 3.2 mm × 1.2 mm)AD8495接近參考接合點的熱區域,參考接合點補償電路將額外電壓施加到放大器內,這樣輸出電壓保持恒定,從而對參考溫度變化進行補償。

圖7. AD8495功能框圖
表2概述了使用AD8495的集成硬件解決方案的性能:
表2.解決方案1(圖6)性能概述
| 熱電偶類型 | 測量接合點范圍 | 參考接合點溫度范圍 | 25°C時精度 | 功耗 |
| K | –25°C至 +400°C | 0°C至50°C | ±3°C(A級特性) ±1°C(C級特性) |
1.25 mW |
測量解決方案2:為精度和靈活性而優化
圖8顯示高精度測量J、K或T型熱電偶的示意圖。此電路包括一個小信號熱電偶電壓測量用的高精度ADC,和一個參考接合點溫度測量用的高精度溫度傳感器。兩個器件都由一個外部微處理器使用SPI接口進行控制。

圖8.測量解決方案2:為精度和靈活性而優化
這種配置如何滿足前述信號調理要求的呢?
消除噪聲并放大電壓:AD7793如圖9所示,使用AD7793—一種高精度、低功耗模擬前端來測量熱電偶電壓。熱電偶輸出經過外部濾波后連接到一組差分輸入AIN1(+)和AIN1(–)。信號然后依次經過一個多路復用器、一個緩沖器和一個儀表放大器(放大熱電偶小信號)發送到一個ADC,它將該信號轉換為數字信號。

圖9. AD7793功能框圖
參考接合點溫度補償:ADT7320 (詳見圖10)在充分靠近參考接合點放置時在–10°C至+85°C溫度范圍內參考接合點溫度測量精度可達到±0.2°C。片上溫度傳感器產生與絕對溫度成正比的電壓,該電壓與內部基準電壓相比較并輸入至精密數字調制器。該調制器輸出的數字化結果不斷刷新一個16位溫度值寄存器。然后通過SPI接口從微處理器回讀溫度值寄存器,并結合ADC的溫度讀數一起實現補償。

圖10. ADT7320功能框圖
校正非線性度:ADT7320在整個額定溫度范圍(–40°C至+125°C)內呈現出色的線性度,不需要用戶校正或校準。因而其數字輸出可視為參考接合點狀態的精確表示。
為了確定實際熱電偶溫度,必須使用美國國家標準技術研究院(NIST)所提供的公式將此參考溫度測量值轉換成等效熱電電壓。此電壓與AD7793測量的熱電偶電壓相加,然后再次使用NIST公式將和轉換回成熱電偶溫度。
處理絕緣和接地熱電偶:圖8所示為具有裸露尖端的熱電偶。此提供最佳響應時間,但相同的配置還可以搭配絕緣尖端熱電偶一起使用。
表3概述了使用NIST數據,基于軟件的參考接合點測量解決方案的性能:
表3.解決方案2(圖8)性能概述
| 熱電偶類型 | 測量接合點溫度范圍 | 參考接合點溫度范圍 | 精度 | 功耗 |
| J, K, T | 整個范圍 | –10°C至+85°C –20°C 至 +105°C |
±0.2°C ±0.25°C |
3 mW 3 mW |
結論
熱電偶在相當寬的溫度范圍內提供穩定可靠的溫度測量,但因為需要在設計時間和精度之間進行折衷,它們往往不是溫度測量的首選。本文提出解決這些問題的高性價比方式。
第一種解決方案注重借助基于硬件的模擬參考接合點補償技術來降低測量的復雜度。它可以實現簡單的信號鏈,不需要任何軟件編程,依賴于AD8495熱電偶放大器所提供的集成特性,該放大器產生5mV/°C輸出信號,可饋入到各種微處理器的模擬輸入。
第二種解決方案提供最高測量精度,還可使用各種熱電偶類型。作為一種基于軟件的參考接合點補償技術,它依賴于高精度ADT7320數字溫度傳感器來提供精度遠超迄今所實現精度的參考接合點補償測量。ADT7320在–40°C至+125°C溫度范圍完全校準并指定。完全透明,不同于傳統的熱敏電阻或RTD傳感器測量,它既不需要在電路板裝配后進行高成本的校準步驟,也不會因校準系數或線性化程序而消耗處理器或內存資源。其功耗只有數毫瓦,避免了降低傳統電阻式傳感器解決方案精度的自發熱問題。
附錄
使用NIST公式將ADT7320溫度轉換成電壓
熱電偶參考接合點補償基于以下關系:
|
(1)
|
其中:
|
ΔV = 熱電偶輸出電壓 V @ J1 = 在熱電偶接合點處產生的電壓 V @ J1 = 在參考接合點處產生的電壓 |
要使這種補償關系生效,參考接合點的兩個端子必須維持在相同的溫度。溫度均衡是使用一個等溫端子塊使兩個端子的溫度相同,同時保持電氣隔離。
在測量參考接合點溫度后,必須將其轉換成等效的熱電電壓,它在接合點處于測量溫度下時產生。一種方法是使用冪級數多項式。熱電電壓計算如下:
|
(2)
|
其中:
|
E = 熱電電壓(毫伏) an = 熱電偶類型相關的多項式系數 T = 溫度(°C) n = 多項式階數 |
NIST發布每一種熱電偶的多項式系數表。這些表包括系數列表、階數(多項式的項數)、每個系數列表的有效溫度范圍和誤差范圍。某些類型熱電偶要求多個系數表以涵蓋整個溫度操作范圍。冪級數多項式表在正文中列出。